Wandheizung: Komfortable Wärme im Wohnzimmer
Wohltuende
Strahlungswärme

Von der Sonne inspiriert

Wandheizung – Effizient, Unsichtbar & Behaglich

Ich möchte mehr
zu den PERIHEL Wandheizsystemen erfahren.

Ich interessiere mich für die PERIHEL Flächenheizungen.
Bitte kontaktieren Sie mich für weitere Informationen.

 Die Datenschutzerklärung habe ich zur Kenntnis genommen und bin mit der Erhebung und Speicherung der von mir angegebenen Daten einverstanden. Sie werden dabei nur streng zweckgebunden zur Bearbeitung und Beantwortung meiner Anfrage benutzt.

Haus mit Wandheizung wohltuende Strahlungswärme kühlen mit Wandheizung

✅ Heizen ohne Heizkörper – mit modernen Flächenheizungen

Die geringe Aufbauhöhe unsere Wandheizung erlaubt es, sie überall auch nachträglich einzubauen. Der minimale Aufbau macht sie zur idealen Lösung bei Renovierungen oder Sanierungen. 

Entdecken Sie komfortables, zeitgemäßes Heizen: Die gleichmäßige Strahlungswärme schafft ein behagliches Raumklima, während niedrige Vorlauftemperaturen spürbar Energie sparen. Ob Neubau oder Modernisierung – PERIHEL bietet flexible Unterputz- und Trockenbausysteme, die schnell montiert, langlebig und äußerst effizient sind.

Ihre Vorteile einer Wandheizung:
Mehr Platz. Mehr Komfort. Mehr energieeffiziente Nachhaltigkeit.
Gemeinsam finden wir die perfekte Lösung für Ihr Bauvorhaben.

Wandheizung

Wandheizungen erwärmen Räume gleichmäßig und schnell, sind unsichtbar und erleichtern die Raumgestaltung. Sie bieten angenehme Wärme, senken Heizkosten und punkten mit langer Lebensdauer. Als Flächenheizung sind sie eine moderne Alternative zu klassischen Heizkörpern.

Was ist eine Wandheizung?

Eine Wandheizung besteht aus in der Wand verlegten Rohren, durch die warmes Wasser fließt. Die Wand speichert die Wärme und gibt sie gleichmäßig an den Raum ab. Das sorgt für ein angenehmes Raumklima, ohne dass die Luft zu heiß oder trocken wird. Niedrige Vorlauftemperaturen machen das System besonders energieeffizient.

Strahlungswärme erwärmt direkt Flächen und Personen, während Heizkörper die Luft stark aufheizen und Staub aufwirbeln. Wandheizungen sind deshalb auch für Allergiker ideal und lassen Räume freier gestalten, da keine Heizkörper die Möbelplanung einschränken.

Welche Wandheizungen gibt es?

Wandheizungen können unter dem Putz oder in der Trockenbauweise installiert werden. Unterputzsysteme werden direkt in die Wand integriert, was besonders langlebig ist und eine sehr gleichmäßige Wärmeverteilung bietet. Trockenbausysteme bestehen aus fertigen Platten mit integrierten Rohren und lassen sich schnell und sauber montieren. Beide Varianten arbeiten effizient und reagieren innerhalb weniger Minuten.

Wie funktioniert eine Wandheizung?

Die Rohre sind meist aus Kunststoff, Kupfer oder Aluverbund und haben einen kleinen Durchmesser, wodurch sie flach in der Wand liegen. Sie werden in Schlangen- oder Spiralform verlegt, um die Wärme gleichmäßig zu verteilen. Niedrige Vorlauftemperaturen von 30–40 °C sorgen für maximale Effizienz und ermöglichen die ideale Kombination mit Wärmepumpen oder Brennwertkesseln.

Strahlungswärme und Konvektion

Strahlungswärme erwärmt direkt Oberflächen und Personen, während Heizkörper primär die Luft erwärmen und Staub aufwirbeln. Wandheizungen arbeiten nahezu geräuschlos und schaffen freie Wandflächen für Möbel und Einrichtung, wodurch der Raum großzügig und flexibel nutzbar bleibt.

Vorteile einer Wandheizung

Wandheizungen bieten gleichmäßige Wärme, niedrige Betriebskosten und kurze Reaktionszeiten. Sie eignen sich ideal für Wärmepumpen, benötigen keine Heizkörper und schonen Allergiker, da die Luft kaum bewegt wird. Große Möbel sollten nicht direkt vor die Wand gestellt werden, um die Strahlungswärme nicht zu blockieren.

Für welche Gebäude eignet sich eine Wandheizung?

Wandheizungen sind ideal für Neubauten, Altbauten und Sanierungen. Im Neubau lassen sie sich optimal in den Wandaufbau integrieren und kombinieren sich perfekt mit modernen Heizsystemen. Im Altbau oder bei Renovierungen ist das Trockenbausystem besonders praktisch, da es ohne aufwendigen Bodenaufbau montiert werden kann.

Installation & Montage

Trockenbausysteme bestehen aus vorgefertigten Platten mit integrierten Rohren und lassen sich werkzeuglos montieren. Unterputzsysteme werden direkt in die Wand eingebettet. PERIHEL-Systeme bieten ein Klicksystem, das Montagezeit spart, dauerhaft dicht ist und sofortige Wärme liefert.

Die Wandheizung kann auch kühlen

Wassergeführte Wandheizungen lassen sich für sanfte Kühlung nutzen. Kaltes Wasser zirkuliert durch die Rohre, die Wand nimmt die Kälte auf und gibt sie gleichmäßig an den Raum ab. Diese leise und energiesparende Methode ist besonders in Verbindung mit Wärmepumpen komfortabel.

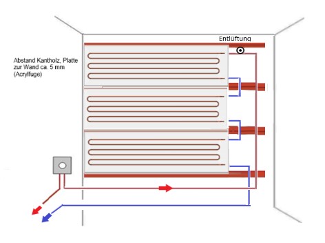
Wandheizung entlüften ohne Aufwand

Unsere Wandheizsysteme können mit einer automatischen Entlüftung installiert werden, die Luft aus dem System kontinuierlich entfernt. So arbeitet die Wandheizung immer effizient, ohne dass manuell nachgearbeitet werden muss. Das spart Zeit, Energie und sorgt für dauerhaft volle Leistung.

Wandheizung wasserführend

Wassergeführte Wandheizungen transportieren Wärme über Rohre in der Wand. Schon bei niedrigen Vorlauftemperaturen entsteht ein gleichmäßiges Raumklima. Unsichtbar in der Wand eingebaut, bleibt die Raumgestaltung frei, während das System energieeffizient arbeitet.

Aufbau mit Lehm- und Kalkputz

Lehm- und Kalkputz speichern Wärme, regulieren Feuchtigkeit und schaffen ein gesundes Raumklima. In Kombination mit der Wandheizung wird die Strahlungswärme optimal genutzt, während die Wände Feuchtigkeit puffern und ein angenehmes Wohngefühl entsteht.

Wie viel Wandheizung wird benötigt

Die benötigte Fläche hängt von Dämmung, Vorlauftemperatur und Gebäudetyp ab. Im Neubau reichen meist 20–30 % der Raumfläche, im Altbau etwa 40 %. Niedrigere Vorlauftemperaturen erfordern größere Heizflächen, erhöhen aber die Effizienz.

 ✅ Kosten einer Wandheizung

Die Anschaffungskosten liegen zwischen 100 und 300 Euro pro Quadratmeter, inklusive Material und Installation. Bei Sanierungen können zusätzliche Dämmmaßnahmen nötig sein. Betriebskosten sind niedrig, da Wandheizungen effizient arbeiten und weniger Energie verbrauchen als herkömmliche Heizkörper.

 ✅ Warum PERIHEL?

PERIHEL entwickelt seit über 30 Jahren individuelle Flächenheizungen, die Technik, Nachhaltigkeit und Wohnkomfort vereinen. Langlebige Materialien, hohe Effizienz und angenehmes Raumklima zeichnen die Systeme aus.

Beratung & Planung

PERIHEL begleitet Sie vom Konzept bis zur Umsetzung. Neubau, Modernisierung oder gesundes Heizsystem – das Team unterstützt bei Planung, Materialwahl und Installation, sodass effiziente, langlebige und komfortable Lösungen entstehen.

Über PERIHEL – Ihr Partner für Flächenheizungen

Nachhaltig. Effizient. Zukunftssicher.

PERIHEL ist Ihr erfahrener Ansprechpartner für Wand-, Decken- und Flächenheizungen.
Unsere Systeme stehen für Qualität, Energieeffizienz und höchsten Wohnkomfort.

Wandheizung und Deckenheizung im Wohnraum
 

Wandheizung und Deckenheizung im Wohnraum

 

⚠️ Wichtiger Hinweis zur Nutzung

Damit die Wandheizung effizient arbeitet, sollten die beheizten Wandflächen möglichst frei bleiben. Große Schränke oder Möbel unmittelbar davor blockieren die Strahlungswärme.
Freie Wandflächen = maximale Effizienz & maximale Behaglichkeit.

Genießen der gesunden Strahlungswärme mit der Wandheizung
 

Genießen der gesunden Strahlungswärme mit der Wandheizung

 



PERIHEL Wandheizsysteme - Projekte Neubau & Bestand

Medienbrücke München mit Deckenheizung
Medienbrücke München
Kloster Maria Stern, Augsburg mit Wandheizung
Kloster Maria Stern, Augsburg

Weitere Projekte


Foto Kloster Maria Stern, Augsburg von Ricardalovesmonuments - Eigenes Werk
CC BY-SA 4.0, Wikipedia